3 Steps Help You Install Home Outlet Circuit Wiring For EV Charging - Megear - MEGEAR

3 Steps Help You Install Home Outlet Circuit Wiring For EV Charging - Megear

Apr 12, 2022

1 comment

XuEric

Step 1: Install The GFCI Outlets For Your Home EV Charger

Most electrical outlets in your home should have some sort of built-in safety device. According to current electrical code you should have GFCI protection for ev charging.

GFCI (ground fault circuit interrupter) outlets protect you from electrocution. They contain a small circuit breaker that trips if it detects a short circuit for protect your home ev charging.

Step 2: Get The Right Outlet For Your EV Charger

You may need or want a specialty outlet depending on the plug type of ev charger that will be plugged into it.

Level 1 EV charger for only one outlet, it’s the NEMA 5-15 outlet(110 volt), the most common electrical outlet in United States and Canada.

Level 2 EV charger need a heavy-duty 240-volt electrical outlet.There are both 3-prong and 4-prong varieties. 3-prong outlets have NEMA 6-20, NEMA 10-30, NEMA 6-50, NEMA 10-50, TT30 and so on. 4-prong outlets have NEMA 14-30, NEMA 14-50 and so on.

Step 3: Know The Wirings/Circuits

Before you install an electrical outlet for ev charging, you must make sure that your home can handle the new outlet.

Be sure with these:

  • *A ground wire–Older homes don’t have a ground wire. You can usually tell if this is the case for you if the outlets will only have 2 slots instead of 3. Don’t install 3-prong outlets if your home doesn’t have a ground. (In fact, you should rewire your home.)
  • *The amperage of the existing circuit – The amperage of the circuit must be greater than the outlet you’re installing. For example, never install a 20-amp electrical outlet on a 15-amp circuit.

Here are a few examples of types of ev charger that use specialty outlets.

The NEMA 5-15 outlet is the most common electrical receptacle in the United States and Canada.

It is a two-pole, three-wire grounding outlet which is used for a maximum of 15A and 125V. The standard wire colors are green for Ground and white for Neutral. The color of the Hot wire can vary depending on the building's electrical scheme; most common colors for the Hot wire are black and red. The individual prongs: Hot, Neutral & Ground are well differentiated as indicated in the diagram below.

                                                 NEAM 5-15 Outlet                   

                                     

                                                              

The NEMA 6-20 outlet is a two-pole, three-wire grounding outlet which is used for a maximum of 20A and 250V.

There are two hot wires, no neutral,and one ground.

                                                  NEAM 6-20 outlet           

                                       

                                                                        

A NEMA 14-50 outlet has two hot wires, one neutral, and one ground which is used for a maximum of 50A and 240V.

The NEMA 6-50 welder outlet has two hot wires, no neutral, and one ground, which is used for a maximum of 50A and 240V.

It is the presence of neutral or ground, and the number of prongs, that determines if you can adapt down from a 240 Volt connection. Most 3-prong 240 Volt connections do not have either neutral or ground, but 4-prong 240 Volt connections do, allowing you to adapt down to a 125 Volt and 240 Volt application.

                                    NEMA 6-50 / NEMA 14-50 outlet            

         

                

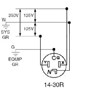
NEMA 10-30R, 3-pole, 3-wire, non-grounding, rated 30A 120/240V No Ground.

Typically used for older dryers in the mid 90’s house that do not have a ground leg and that require dual voltage: 240V for the heating element and 120V for the controls and drum motor.

As National Electric Code (NEC)  requirements became more stringent, the NEC began requiring a 4-prong outlet for new installations of circuits that provide power. NEMA 14-30, is the updated vision of NEMA 10-30R.

NEMA 14-30 has two hot wires, one neutral, and one ground which is used for a maximum of 30A and 240V.

Actually, we recommend the NEMA 14-30 ev charger for safety reason.

                                   NEMA 10-30 / NEMA 14-30 outlet 

                    

1 comment
  • John Lindsey

    What would I need if I wanted to charge it from outside my house for the NEMA6-20

Leave a comment

Please note, comments must be approved before they are published